
AUP – B 판넬 매입형 시그널 혼
- 8화음으로 출력되며 소리가 웅장하고 풍부하며 맑고 깨끗한 음이 출력 됨
- 판넬용 부저 및 경보기로써 4개의 채널로 구성되어 있으며 채널 선택에 따라 음색을 사용자가 선택이 가능함
- 멜로디음 5가지, 부저음 7가지를 조합 선택에 따라 사용자가 조절하며 보이스기능 주문제작 가능함
- 스티커 제거 시 보이는 DIP 스위치를 통하여 사용자가 내장음 조합 조절이 가능 (※내장음 사양표 참조)
- 사용자 셋팅이 어려울 경우 주문사양으로 원하는 셋팅을 기본으로 설정 가능함
- 제품 뒷면에서 볼륨 조절이 가능함
- 최대 음량 : Max. 90dB
- 재질 : ABS
- 사용 주위 온도 : -25~50℃
Video 제품 영상
• 판넬 매입형 시그널 혼
Ordering Information 형명식별법

Specifications 제품 사양

- 스티커 제거 시 보이는 Dip 스위치 및 외부의 채널 단자로 음색 조합 조절이 가능
- 볼륨 조정시 (-) 드라이버를 사용하여 살짝 돌려서 조절가능
◎ AUP-B 판넬 매입형 시그널 혼
MODEL | 내장음 사양 | 정격 전압 | 소비 전류 | 중량 | |||
---|---|---|---|---|---|---|---|
채널 | 내장음 | 음량 | |||||
AUP-B | A1 | 멜로디(AM) 딥스위치 2,3,4번 on |
터키 행진곡 | Max. 90dB | AC110V/220V 겸용 | 0.5(A) | 272g |
A2 | 피아노 소나타 | ||||||
A3 | 즐거운 나의집 | ||||||
A4 | 엘리제를 위하여 | ||||||
A1 | 부저(AB) 딥스위치 1,2번 on |
삐~삐~삐 | DC12V/24V 겸용 | 1.2(A) | 184g | ||
A2 | 딩동 | ||||||
A3 | 삐이이 | ||||||
A4 | 삐삐삐삐 |
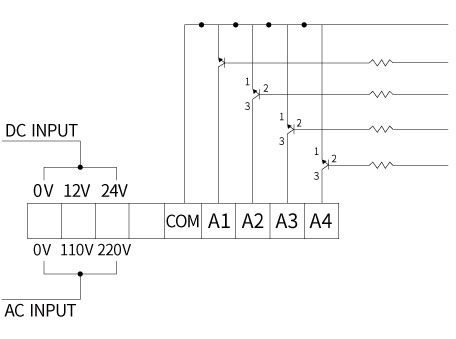
※ DC극성 : 빨(+) / 검(-)
Sound 내장음 사양표
◎사용자의 선택에 따라 DIP 스위치 및 입력핀 채널 조정으로 변경이 가능함
DIP / SW 조정 | 입력핀 | |||
---|---|---|---|---|
A1 | A2 | A3 | A4 | |
![]() 전체 OFF |
딩동댕 | 피아노 소나타 | 요술피리 | 즐거운 나의집 |
![]() 1번 ON |
딩동 | 전화벨 | 삐삐삡 | 딩동댕 |
![]() 2번 ON |
요술피리 | 피아노 소나타 | 엘리제를 위하여 | 전화벨 |
![]() 3번 ON |
피아노 소나타 | 터키 행진곡 | 즐거운 나의집 | 요술피리 |
![]() 4번 ON |
엘리제를 위하여 | 터키 행진곡 | 즐거운 나의집 | 삐삐삐삐 |
![]() 1,2번 ON |
삐~삐~삐 | 딩동 | 삐이이 | 삐삐삐삐 |
![]() 1,3번 ON |
요술피리 | 엘리제를 위하여 | 터키 행진곡 | 즐거운 나의집 |
![]() 1,4번 ON |
요술피리 | 즐거운 나의집 | 전화벨 | 딩동댕 |
![]() 2,3번 ON |
요술피리 | 터키 행진곡 | 피아노 소나타 | 삐삐삐삐 |
![]() 2,4번 ON |
즐거운 나의집 | 요술피리 | 터키 행진곡 | 딩동 |
![]() 3,4번 ON |
요술피리 | 즐거운 나의집 | 딩동 | 전화벨 |
![]() 1,2,3번 ON |
엘리제를 위하여 | 즐거운 나의집 | 요술피리 | 피아노 소나타 |
![]() 1,2,4번 ON |
요술피리 | 터키 행진곡 | 즐거운 나의집 | 삐~삐~삐 |
![]() 1,3,4번 ON |
요술피리 | 피아노 소나타 | 즐거운 나의집 | 딩동댕 |
![]() 2,3,4번 ON |
터키 행진곡 | 피아노 소나타 | 즐거운 나의집 | 엘리제를 위하여 |
![]() 1,2,3,4번 ON |
피아노 소나타 | 요술피리 | 엘리제를 위하여 | 터키 행진곡 |
Drawing 외형도
단위 : mm

TR 및 SSR 사용방법

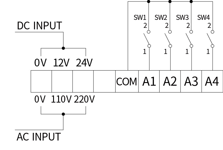
Wiring diagram 결선도
단자타입
.jpg)
케이블타입[보이스]
![케이블타입[보이스]](/wp-content/uploads/2025/10/AUP-2(K).jpg)
트랜지스터 | 무접점 릴레이 | |
---|---|---|
형식 | NPN트랜지스터(2SC 및 2SD) | 직류부하용 전류 출력형(오픈 콜렉터) |
내전압 | Vc 〉 12V | |
전류용량 | IC 〉 10mA (10mA 이상) | |
누설전류 | ICBD 〉 0.1mA (0.1mA 이하) | |
허용전압 | VAST 〈 1V (1V 이하) |